SS-V:5010 Z 形悬臂
测试编号:VNL02 求出 Z 形悬臂梁在不同大小横向载荷作用下的竖向位移。
定义
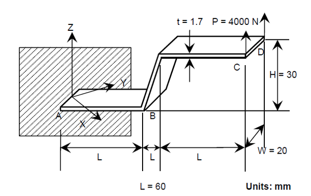
Z 形悬臂能够承受最大 4000 N 的横向载荷(图 1)。图 1.


荷载是保守的,当悬臂变形时,荷载的方向不变。
材料属性为:
- 属性
- 值
- 弹性模量
- 2.e+11 pa
- 泊松比
- 0.3
结果
下表包含了不同载荷(以毫米为单位)的垂直位移 Uz 的值。
| 载荷 [N] | SOL 参考 * | SimSolid | % 差异 |
|---|---|---|---|
| 300 | 113.0 | 113.3 | 0.24% |
| 500 | 124.1 | 122.1 | -1.58% |
| 1000 | 131.0 | 133.3 | 1.78% |
| 2500 | 139.5 | 143.4 | 2.82% |
| 4000 | 144.0 | 144.8 | 0.53% |
* SOL 参考是薄壳体模型
1 A.A.Becker, Background to Finite Element Analysis of Geometric Non-linearity Benchmarks(几何非线性基准有限元分析背景), Published by NAFEMS, Ref:-R0065, pg.61 Page 66